This website requires JavaScript.
Explore
Help
Register
Sign In
wieerwill
/
Informatik
Watch
1
Star
0
Fork
0
You've already forked Informatik
Code
Issues
Pull Requests
Actions
Packages
Projects
Releases
Wiki
Activity
ae4d78fec7
Informatik
/
Assets
/
Biosignalverarbeitung-Parallelwandler.png
wieerwill
c06fb293d7
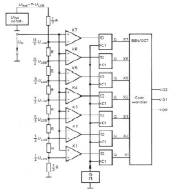
Kapitel 4 fertig, Beginn Kapitel 5
2021-12-22 12:09:55 +01:00
64 KiB
350x376px
Raw
History